一、测试目的
通过本次测试,选拔拥护中国***领导,热爱社会主义祖国和人民,具有一定电类专业基础知识,较强电路识图能力、电路参数测量和较好心理素质的优秀中职毕业生。
二、总体要求
1、掌握一定的电类专业基础知识;
2、具备常规电路参数测量的动手操作能力。
三、组织形式和测试时间
(一)组织形式
依据《四川省普通高校对口招生职业技能考试大纲(信息技术二类)(2021年版)》,铁道供电技术专业的专业技能测试,采用技能操作考试。
(二)测试时间
测试时间共计20分钟,其中进场、出场共5分钟;实际操作考试15分钟,考试前,对照试卷,明确考试内容;考试开始计时,15分钟操作时间到,停止计时;考生整理考试工作台,将考试工作台恢复到考试前的状态,此过程不计时,但有不规范操作要扣分。
四、所需工具及辅助性材料
(一)考生自备测试所需工具
黑色或蓝色签字笔等。
(二)测试现场准备用品清单
1、电路参数测量考试工作台;技能操作考试试卷和记录表。
2、计时器、记录板、计分表。
五、成绩评定
依据考生对电路参数测量仪器操作及测量结果情况,进行成绩评定,测试总分为200分。
六、测试内容及评价标准
(一)测试内容
技能操作考试采取实际操作的形式,设置电路参数测量考试项目,样题附后。
(二)评价标准
一级指标 | 二级指标 | 考试要求 |
仪器操作、接线及测量过程(120分) | 检查元器件、电源(10分) | 检测万用表是否完好;检查试验台面板上挂箱是否正确;所需电源是否准确;挂箱中的电阻是否为实验台上标注的阻值;检查导线是否完好并够用;不符合要求一项扣2分。 |
连接线路(40分) | 根据电路原理图连接线路,连接错误一处扣5分,直到扣完为止。(此处应让监考老师检查线路,不能私自通电) | |
电流测量(20分) | 万用表档位不符、万用表红黑插头插入不符、万用表红黑表头测量方向不符、测量值不符,扣5分/项 | |
电压测量(20分) | 万用表档位不符、万用表红黑插头插入不符、万用表红黑表头测量方向不符、测量值不符,扣5分/项 | |
拆除线路(10分) | 未先断电就拆除,扣4分;拆除导线不整理,扣4分;桌面不整洁,扣2分 | |
行为衣着(20分) | 穿着基本得体,语言表述准确、规范、文明,不符合每项扣5分 | |
记录数据与结论(80分) | 测量数据记录(30分) | 漏测一个数据,扣5分,扣完为止 |
测量数据精度(20分) | 所得数据单位不1 正确,方向不正确,每错一项扣2分,扣完为止 | |
得出结论(20分) | 共四个结论,错一个扣5分 | |
其他(10分) | 使用铅笔记录,记录工整,规范,不能涂改,否则扣5分,转抄他人数据整个考试0分处理 |
七、参考资料
1.《全国中等职业技术学校电工类专业通用教材:电工基础(第五版)》,人力资源和社会保障部教材办公室编,中国劳动社会保障出版社,2014。
2.《电工技术基础与技能(电类通用)(第二版)》,王兆义主编,机械工业出版社,2017。
八、其他说明
如因特殊情况,现行大纲无法组织实施,需调整测试方式和内容,将于正式考试前7天在学校官网公告。
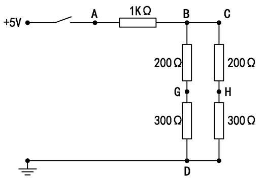
附样题
电路参数测考试题目示例
1.在工作台及电路挂箱上按如下电路连接线路并完成相关参数测量。

用万用表分别测量A、H 、G各点电流值及电压值UBG、UAB、UCH、UGD、UHD、UAD,将测量数据记入表中。
测量参数 | IA | IG | IH | UAB | UBG | UGD | UCH | UHD | UAD |
测量结果 |
2.数据分析
(1)分析IA、IG、IH所满足的规律;
(2)分析UAB、UBG 、UGD与+5V满足的规律,UAB、UCH、UHD与+5V满足的规律,UBG 、UGD、UCH、UHD满足的规律。
工作台挂箱实物






